Aurélie 09/06/10
 

 

Les systèmes électriques : bac S Amérique du Nord 2010

En poursuivant votre navigation sur ce site, vous acceptez l’utilisation de Cookies vous proposant des publicités adaptées à vos centres d’intérêts.


. .
.
.


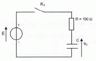
Le dipôle RC.
On réalise le circuit suivant. Un dispositif d’acquisition de données relié à un ordinateur permet de suivre l’évolution de la tension aux bornes du condensateur en fonction du temps t.

On déclenche les acquisitions à la fermeture de l’interrupteur K, le condensateur étant préalablement déchargé. L’ordinateur  nous donne la courbe uc=f(t) ci-après :

L’étude théorique conduit  à une expression de la forme uc=E(1-exp(-t / t) où t est la constante de temps du circuit.
Indiquer où doivent être branchées la masse M et la voie d’entrée de la carte d’acquisition pour étudier les variations de la tension uc aux bornes du condensateur. Quel est le phénomène physique mis en évidence sur l’enregistrement ?

On met en évidence la charge d'un condensateur à travers un résistor.
A partir de la courbe, indiquer la valeur E de la tension aux bornes du générateur. Justifier.
Lorsque la charge est terminée, la tension aux bornes du condensateur est constante, égale à la tension aux bornes du générateur.
 



La constante de temps de ce circuit a pour expression t = RC.
Montrer que la tension uc atteint 63 % de sa valeur maximale au bout d’un temps caractéristique égal à t.
uc=E(1-exp(-t / t) ; 0,63 E=E(1-exp(-t / t) ; 0,63 = 1-exp(-t / t)
exp(-t / t) = 0,37 ; -t / t = ln 0,37 = -0,994~ -1
Par suite t = t.
Déterminer t et en déduire la capacité C du condensateur.

C = t / R = 0,006/100 = 6 10-5 F.
 

Le dipôle RL.
On remplace le condensateur par une bobine d’inductance L et de résistance r.

 L’ordinateur nous permet de suivre l’évolution de  l’intensité i du courant en fonction du temps.

La loi d'additivité des tensions appliquée à ce circuit série conduit à l'équation différentielle suivante : E = (R+r)i +Ldi/dt (1)

Quel est le phénomène physique mis en évidence sur l'enregistrement et quel est l'élément du circuit responsable de ce phénomène ?
La bobine inductive introduit un retard à l'établissement du courant.





Soit I l'intensité du courant en régime permanent.
Etablir son expression littérale à partir de l'équation (1), donner sa valeur numérique et en déduire la résistance r de la bobine.
En régime permanent, l'intensité du courant est constante : dI/dt = 0.
Par suite E = (R+r)I soit I = E/(R+r).

r = E/I-R = 2/0,018 -100 ~ 11 ohms.
Quelle est la valeur du courant à t=0 ? Comment s'écrit alors l'équation différentielle (1) ?
La continuité de l'énergie stockée par la bobine conduit à : i(t=0-) =
i(t=0+)= 0.
E = L[di/dt]t=0.
[di/dt]t=0 = E/L.
Or la constante de temps du dipôle est t' = L/(R+r)  ; L =
t'(R+r).
[di/dt]t=0 = E/L = E / (t'(R+r) =  I / t'.
Vérifier que L/(R+r) est homogène à un temps.
Emag = ½LI2 ; L = 2
Emag / I2 ;
[L] = J A-2.
Pjoule = (R+r) I2 ; énergie dissipée par effet Joule :
(R+r) I2 t ; R+r = énergie / (I2 t)
[R+r] = J A-2T-1.
Par suite [L/(R+r)] = T.
Déterminer graphiquement t' et en déduire L.

L = t'(R+r) = 0,0033(100+11) =0,37 H.










Le dipôle RLC en oscillations libres :
On associe un condensateur de capacité C = 60 µF avec la bobine précédente.

Le condensateur est préalablement chargé ( interrupteur en position 1). L'enregistrement des variations de la tension aux bornes du condensateur en fonction du temps commence quend on bascule l'interrupteur en position 2.

Caractériser du point de vue énergétique l'enregistrement obtenu. Les oscillations observées sont-elles périodiques ? Pourquoi les qualifie t-on d'oscillations libres ?
L'énergie totale du système n'est pas constante : elle diminue au cours du temps. L'oscillateur électrique est amorti. Une partie de l'énergie se dissipe sous forme de chaleur dans les parties résistives.
Les oscillations sont pseudo-périodiques.
Aucun système électrique "excitateur" n'est présent dans le circuit : l'oscillateur électrique est libre.
Mesurer la pseudo-période T des socillations électriques. En assimilant T à la période propre, déterminer l'inductance L de la bobine et la comparer à la valeur précédente.

T = 0,03 s ; T = 2p(LC)½ ; L = T2/(4p2C) = 0,032 /(4*3,142*6 10-5) =0,38 H.
Valeur identique à la valeur précédente ( écart relatif  < 3 %).
Comment maintient-on constante l'énergie d'un oscillateur électrique ?
On ajoute en série à l'oscillateur un dispositif simulant une résistance négative ; ce dernier compense à chaque instant les pertes d'énergie par effet Joule de l'oscillateur électrique.








menu