Aurélie 19/05/10
 

 

Dipôles RLet RC, tremplin de saut à ski : concours orthoptiste Toulouse 2002.


. .
.
.


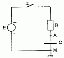
Dipole RC.
Un dipole RC peut être relié, en fermant l'interrupteur I, à un générateur de tension continue E.

On donne R = 3 kW, C = 10 µF, E = 5 V.
On mesure la différence de potentiel (VA-VM) entre les points A et M ( masse). A l'instant t=0, on ferme l'interrupteur I.
Au bout de combien de temps le condensateur  est-il chargé à 99% ?
Constante de temps t = RC = 3000*10 10-6 =0,03 s.
Tension aux bornes du condensateur en charge u = E(1-exp(-t/t).
0,99 E = E-E exp(
-t/t) ; 0,01 = exp(-t/t) ; ln 0,01 = -t/t ; t = -t ln 0,01 =0,138~0,14 s.
Représenter sur un graphique l'allure approximative de la variation VA-VM. Montrer commet déterminer graphiquement t.


Un dipôle de nature inconnue est connecté à un générateur de tension continue E. Au bout d'un certain temps le dipôle est traversé par un courant d'intensité constante.
Peut-il s'agir :
- d'une résistance. Non, une résistance n'introduit pas de retard à l'établissement du courant.
- d'une résistance en série avec un condensateur. Non, l'intensité s'annule dès que le condensateur est chargé.
- d'une bobine d'inductance L en série avec une résistance R. Oui, la bobine inductive introduit un retard à l'établissement du courant. En régime permanent, l'intensité du courant est constante, non nulle.
 

Soit un dipôle RL composé d'une bobine d'inductance L, de résistance négligeable, en série avec une résistance R. Le dipôle peut être relié à un générateur de tension continue E en fermant l'interrupteur I.

On donne R= 100 W, L=0,5 H et E = 5 V.
Comment varie l'intensité i du courant dans le circuit lorsqu'on ferme l'interrupteur ? Quel phénomène explique cette variation ?
La bobine inductive introduit un retard à l'établissement du courant. En régime permanent, l'intensité du courant est constante, non nulle.
i(t) = E/R (1-exp(-t/ t)) avec t = L/R.
La bobine stocke de l'énergie ( ½Li2) , ce qui explique se retard.
Ecrire la relation algébrique entre R, L, E et i pendant la phase transitoire.
Additivité des tensions : E = Ldi/dt + ri.(1)
Calculer la valeur de i pendant la phase transitoire.
Solution générale de Ldi/dt+Ri = 0 : i(t) = A exp(-t/t) avec t = L/R et A une constante.
Solution particulière de (1) en régime permanent i= E/R.
Solution générale de (1) :
i(t) = A exp(-t/t) +E/R.
La continuité de l'énergie conduit à i(0) = 0 soit 0 = A +E/R d'où A = -E/R.
i(t) =
E/R (1-exp(-t/ t)).
Calculer la constante de temps.
t = L/R = 0,5 / 100 = 5 10-3 s = 5 ms.
Calculer l'énergie stockée dans la bobine.
½LI2 avec I = E/R =5/100 = 0,05 A.
½LI2 = 0,5*0,5*0,052 =6,25 10-4 J.

Soit le circuit suivant comportant un condensateur de capacité C = 0,1 µF, une résistance R, une bobine d'inductance L =0,1 H de résistance r et un générateur de tension continue E.

On place l'interrupteur en position 1 et le condensateur se charge complètement. On bascule l'interrupteur en position 2.
A partir de cet instant, comment varie la tension uAM aux bornes du condensateur en supposant les valeurs de R et r très faibles ?
Le régime est pseudopériodique faiblement amorti. La tension aux bornes du condensateur est pratiquement sinusoïdale.
Calculer la période propre du dipôle LC correspondant.
T = 2 p(LC)½ =6,28 (0,1*0,1 10-6)½ =6,28 10-4 ~6,3 10-4 s.





Tremplin de saut à ski.
Un tremplin de saut à skis comprend une piste d'élan de profil curviligne prolongée par une piste de réception plane et inclinée par rapport à l'horizontale d'un angle a. Le skieur est assimilé à un point matériel noté G. On négligera les frottements. La trajectoire du skieur est contenue dans un plan vertical.


Le skieur part du point A sans vitesse initiale, perd contact avec la piste curviligne au point O. Sa vitesse à cet instant est horizontale et est notée v0.
Faire le bilan des forces extérieures appliquées au skieur sur la partie OA de la trajectoire
.
Le skieur est soumis à son poids, vertical, vers le bas, valeur mg et à l'action du plan, perpendiculaire au plan.

Enoncer le théorème de l'énergie cinétique et établir l'expression littérale  relaint l'altitude h du point a par rapport à O et la vitesse v0 en O.
La variation de l'énergie cinétique est égale à la somme des travaux des forces appliquées au skieur entre A et O.
L'énergie cinétique est nulle en A et vaut ½mv02 en O.
Le travail du poids est moteur en descente et vaut  : mgh.
L'action du plan perpendiculaire à la vitesse ne travaille pas.
½mv02 -0 = mgh ; ½v02 = gh.
A.N : h = 10 m ; g = 10 m s-2 ; v0 = (2gh)½ =
(200)½ =14,14 ~14 m/s.
Dans le repère (O i j ) montrer que l'équation de la trajectoire aérienne de G s'écrit : y = gx2 / (2 v02).
Le skieur n'est soumis qu'à son poids : la chute est libre.
Dans le repère ( O i j ) : composantes de l'accélération : (0 ; g ) ; composante de la vitesse initiale ( v0 ; 0 ) ; position initiale (0 ; 0 ).
La vitesse est une primitive de l'accélération : composantes de la vitesse : ( v0 ; gt)
La position est une primitive de la vitesse : x = v0t ; y = ½gt2.
t = x/v0  ; repport dans y : y = gx2 / (2 v02).









Au point B le skieur reprend contact avec la piste de réception.
Etablir l'expression des coordonnées xB et yB du point B en fonction de v0, a et g.
Equation de la portion de droite OB : y = tan a x.
Au point B :
tan a xB = gxB2 / (2 v02).
tan a = gxB / (2 v02) ; xB =2 v02 tan a / g ; yB = tan a xB =2 v02 tan2 a / g.
A.N : a = 45 °.
xB =2 *200*tan 45 / 10 = 40 m ; yB = tan 45 * 40 = 40 m.
En déduire la longueur du saut L= OB.
OB2 = xB2 + yB2 =402+402 = 3200 ; OB =56,57 ~57 m.
Calculer la durée du saut.
xB = v0t  ; t = xB / v0 = 40 / 14,14 = 2,8 s.







menu