Aurélie 14/06/06

d'après concours agent technique de l'électronique ( ministère de la défense)

En poursuivant votre navigation sur ce site, vous acceptez l’utilisation de Cookies vous proposant des publicités adaptées à vos centres d’intérêts.


. .

.
.


Résistance
  1. Quel est le marquage d'une résistance ayant pour valeur nominale 47 W et pour tolérance 5%.
  2. Quelle est la tension maximale et l'intensité maximale à ne pas dépasser pour cette résistance de puissance ¼ W.
  3. Cette résistance R = 47 W est branchée en parallèle sur une résistance inconnue notée X, suivant le schéma ci-dessous.
  4. Déterminer la valeur de la résistance X sachant que la résistance équivalente entre les deux points A et B est de 23,5 W .

corrigé
marquage d'une résistance ayant pour valeur nominale 47 W et pour tolérance 5% :
1er anneau
2ème anneau
3ème anneau
4ème anneau
chiffre 4
chiffre 7
multiplié par 1
tolérance 5%
couleur : jaune
couleur : violet
couleur : noir
couleur : or
tension maximale et l'intensité maximale à ne pas dépasser pour cette résistance de puissance ¼ W :

P= UI avec P puissance en watt, U : tension en volt , I intensité en ampère

U= RI avec R résistance en ohm

d'où P= U²/R soit U² = P R = 0,25*47 = 11,75 ; prendre la racine carrée : Umax = 3,4 V

Imax = Umax / R = 3,4 / 47 = 7,3 10-2 A = 73 mA.

valeur de la résistance X :

R et X sont montées en dérivation. Les conductances ( en siemens (S) s'ajoutent :

G1=1/R = 1/47 = 2,13 10-2 S ; G2=1/X ; G= G1+G2=1/23,5 = 4,26 10-2 S

d'où G2 = 4,26 10-2 -2,13 10-2 = 2,13 10-2S soit X= 1/ 2,13 10-2= 47 W.





Associations de condensateurs

On a le schéma suivant

Déterminer la valeur du condensateur équivalent entre les deux points A et B


corrigé
0,1
mF, 0,4 mF et 0,5 mF sont en dérivation : la capacité équivalente vaut 0,1+0,4+0,5 = 1 m F.

de même 0,4 mF et 0,6 mF sont en dérivation : la capacité équivalente vaut 0,4+0,6 = 1 m F.

de même 0,2 mF et 0,8 mF sont en dérivation : la capacité équivalente vaut 0,2+0,8 = 1 m F.



Transformateur

On considère le transformateur à self suivant :

Le transformateur est supposé idéal (sans pertes ohmiques, ni fuites magnétiques). Il comprend n1 spires au primaire et n2 spires au secondaire. On donne U1 = 220 V efficace et U2 = 22V efficace.

  1. Déterminer le rapport de transformation n = n2/n1.
  2. En déduire le rapport I2/I1.
  3. On branche au secondaire, entre les bornes 2-2' une résistance de 1 kW . Déterminer la résistance vue du primaire entre les bornes 1-1'.

corrigé
rapport de transformation n = n2/n1 = U2/U1 = 22/220 = 0,10.

rapport I2/I1 =n1/n2= 1/n = 10.

résistance vue du primaire entre les bornes 1-1' :

Si une impédance est branchée au secondaire d'un transformateur idéal, sa valeur, vue du primaire, sera multipliée par le carré de l'inverse du rapport de transformation.

U2=R2I2 ; U1=R1I1 ; d'où R1/ R2 = U1/U2 * I2 /I1 = 100 soit R1 = 100 R2 = 100 kW.



Accumulateur

Un accumulateur a une capacité utile de 52 Ah. On l'utilise pendant 4 heures avec un courant I1 = 2,5 A ; puis 7 heures avec I2 = 4,5 A ; puis 0,5 heure avec I3 = 13 A.

  1. Combien de temps pourrait-on lui demander un courant I4 = 2 A ?
  2. Si on avait voulu l'utiliser encore 5 heures, quelle aurait du être la valeur maximale du courant I4 ?
  3. Si on appelle rendement en quantité ( q) le rapport de la quantité d'électricité restituée par l'accumulateur (quantité utile), à la quantité totale qu'il a reçue au moment de la charge, quel sera le courant de charge si celle-ci s'effectue en 10 heures et si q = 0,87 ?

corrigé
Capacité ou quantité d'électricité utilisée pendant 11,5 heures : Q= 4 I1 + 7 I2 + 0,5 I3 = 4*2,5+7*4,5+0,5*13=10+31,5+6,5 = 48 Ah

Capacité restante : 52-48 = 4 Ah ;

il pourra débiter un courant de 2 A pendant 2 heures ou bien un courant de 0,8 A pendant 5 heures.


Quantité d'électricité totale reçue lors de la charge : 52/0,87 = 59,8 Ah

Intensité du courant de charge si celle-ci dure 10 heures : I= 59,8/10 = 5,98 A ( 6 A)



moteur à excitation indépendante :

Un moteur à excitation indépendante travaille à flux constant. Il absorbe 15 A sous 200 V et tourne à 1400 tr/mn. A chaud, la résistance de l'induit mesure ra = 0,60 W . Calculer :

  1. sa f.c.é.m. ;
  2. sa puissance électromagnétique ;
  3. sa puissance mécanique utile si les pertes constantes sont p0 = 85 W ;
  4. son couple mécanique utile ;
  5. son rendement industriel, les pertes dues à l'excitation étant de 200 W ?

 


corrigé
f.c.é.m. U = E + raI soit E = U -raI = 200-0,60*15 = 191 V

puissance électromagnétique : Pelm=E I = 191*15 =2865 W.

puissance mécanique utile : Pu = Pelm - pertes p0= 2865-85 =2780 W.

couple mécanique utile : moment du couple utile (Nm) = puissance mécanique (W) / vitesse angulaire (rad/s)

vitesse angulaire W = 1400/60*2*3,14 =146,5 rad/s.

Gu=  2780/146,5 =19 Nm.

rendement industriel : ( Pelm-Spertes) / Pelm = (2865- 285) / 2865 *100 = 90 %.



Diode :

 

  1. Soit le montage suivant dans lequel la diode D est supposée idéale (la tension de seuil et la résistance dans le sens passant sont supposées nulles.
    Sachant que la tension d'entrée exprimée en volts ve = 10 sin(2000p t), représenter sur un même graphique la tension d'entrée ve et la tension de sortie vs en fonction du temps, sur une période. Unités : abscisses : 1ms/5cm ; ordonnées : 2V/cm.
  2. Une diode utilisée dans sa partie linéaire présente à ses bornes une chute de tension de 0,75 V lorsque le courant qui la traverse est de 200 mA. Lorsque cette intensité atteint 0,8 A, la chute de tension est 0,81 V.
    -Calculer le seuil de tension et la résistance dynamique de cette diode.

corrigé
2000p = 2pf d'où la fréquence f= 1000 Hz ; période T = 10-3 s = 1 ms.

diode passante : la tension à ses bornes est nulle et vs=E= 6 V

diode non passante i=0 ; or vs=ve-Ri d'où vs=ve.

seuil de tension et la résistance dynamique de cette diode : i : intensité qui traverse la diode , u tension à ses bornes

i=a+ bu avec a constant et 1/b résistance dynamique.

0,2 = a + 0,75 b ; 0,8= a + 0,81 b

d'où b =(0,8-0,2 ) /(0,81-0,75)=0,6/ 0,06 = 10 ; résistance dynamique 1/b = 0,1 W.

par suite a =0,2-0,75*10 =-7,3 A.

tension de seuil U0 : 0= -7,3+10 U0 soit U0 = 0,73 V.



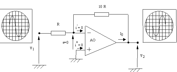
Amplificateur opérationnel :

On considère le montage suivant :

L’amplificateur opérationnel (AO) est supposé idéal et en fonctionnement linéaire.

Les tensions de saturation en sortie de l’amplificateur opérationnel sont égales aux tensions d’alimentation ± E=± 15V.

  1. Déterminer le gain en tension du montage AV = V2/V1.
    Par l'observation à l'oscilloscope des signaux d'entrée et de sortie, les conditions de mesure étant les suivantes :
    - Signal d'entrée - Sensibilité verticale : 0,25 V/carreau. - Signal de sortie - Sensibilité verticale : 2,5 V/carreau.
    Par le calcul en exprimant ce gain en rapport et en décibel.
  2. Déterminer la tension d’entrée maximale (positive ou négative) du montage correspondant à une tension de sortie maximale V2 = ± E = ± 15V.

corrigé
Par observation des signaux :

ils sont en opposition de phase d'où le signe - ;

l'amplitude du signal de sortie est 10 fois plus grande que l'amplitude du signal d'entrée d'où le gain AV = -10.

par calcul : V2 = -10RI0 et V1 = RI0 d'où le gainAV = V2/V1 = -10 soit : 10 log 10 = 10 dB.

tension d’entrée maximale (positive ou négative) du montage correspondant à une tension de sortie maximale V2 = ± E :

V1 = ± E / 10 = ±1,5 V.



Fonction "et ":

On considère le montage suivant :

Déterminer la forme du signal S en sortie C de la porte logique ET, dont les entrées A et B sont respectivement soumises aux signaux E1 et E2.


corrigé
Le signal de sortie correspond à la somme des deux signaux E1 et E2.



retour -menu