Aurélie 23/06/06

d'après concours technicien d'instrumentation scientifique, d'expérimentation et de mesure

( université Claude Bernard Lyon 1 ) ITRF 2003

En poursuivant votre navigation sur ce site, vous acceptez l’utilisation de Cookies vous proposant des publicités adaptées à vos centres d’intérêts.



. .

.
.


électricité.
  1. Soit une résistance électrique telle que : R = 1 kW ; P = 1 W. Quelle est l’intensité maximale Imax qui peut traverser cette résistance ?
  2. Que se passera-t-il si cette résistance est parcourue par une intensité I telle que I = 2 Imax.
  3. Vous avez un moteur électrique sur lequel vous lisez : P = 500 W ; U = 230 V (monophasé). Quel fusible choisiriez-vous pour une protection optimale de ce moteur ?
    temporisé
    rapide
    1 A
    2 A
    2,5 A
    5 A
    1 A
    2 A
    2,5 A
    5 A
  4. Donnez l’expression de la résistance équivalente pour le groupement suivant :
  5. Calculez Réqui pour les valeurs de résistances suivantes : R1 = 10 kW ; R2 = 20 kW ; R3 = 30 kW
  6. Donnez l’expression de la capacité équivalente pour le groupement suivant :
  7. Calculez Céqui pour les valeurs de capacités suivantes : C1 = 1 µF ; C2 = 2 µF ; C3 = 3 µF
  8. Nommez le type de montage des amplificateurs suivants :

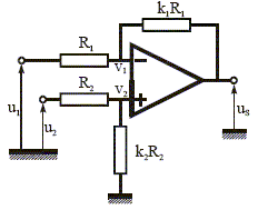
  9. Soit le montage de l’amplificateur différentiel ci-après :

    On posera : u2 - u1 = ud (tension différentielle) ; u2 + u1 = 2 uc (tension de mode commun); v1 : tension à l’entrée inverseuse ; v 2 : tension à l’entrée non inverseuse ; k1, k2 : nombres réels positifs.
    - L’amplificateur étant supposé parfait (v1 = v2), déterminez l’expression donnant uS en fonction de k1, k2, ud et uC.
    - En posant uS = Ad.ud + AC.uC ; Ad : Amplification différentielle ; AC : Amplification en mode commun ; donnez les expressions de Ad et AC.
    - A quelle condition aura-t-on uS = Ad.ud = k.ud ?


corrigé
intensité maximale Imax qui peut traverser cette résistance :

P= R I² d'où I=[P/R]½ avec R = 1000 W ; P = 1 W

Imax=[1/1000]½ =3,16 10-2 A = 31,6 mA.

si cette résistance est parcourue par une intensité I telle que I = 2 Imax, la résistance sera détériorée.

Fusible choisi pour une protection optimale de ce moteur :

P= UI soit I= P/U avec P = 500 W ; U = 230 V (monophasé)

Imax= 500/230 = 2,2 A donc fusible rapide 2 A.


R1 et R2 en série équivalent à R1+R2 ;

R1+R2 et R3 en dérivation équivalent à : Réqui= ( R1+R2 )R3 / (R1+R2+ R3)

Réqui= 30*30 / 60 = 15 kW.


C1 et C2 en série équivalent à : C1C2 / (C1+C2)

C1C2 / (C1+C2) et C3 en dérivation, équivalent à : Céqui= C1C2 / (C1+C2) + C3.

Céqui= 1*2/3 +3 = 3,67 mF.

(1) : amplificateur inverseur ; (2) : amplificateur non inverseur ; (3 ) suiveur ; (4) : dérivateur ; (5) : intégrateur.


Expression donnant uS en fonction de k1, k2, ud et uC :

on note i l'intensité traversant R1 et k1R1 ; i' celle traversant R2 et k2R2 ; k=k1+1 et k'=k2+1

additivité des tensions : U2 = R2k' i' soit i' = U 2 /( R2k')

Us+R1k i= U 1+R1k i soit i = (Us- U 1)/(R1k)

U 2 - U 1 = R2 i' - R1i

remplacer i et i' par leur expressions d'où : U 2 - U 1 = R2U2 /( R2k') + R1(Us- U 1)/(R1k)

mumtiplier les deux membres par R2k'R1k :

(U 2 - U 1)R2R1k k' =R2R1kU2+ R1R2k'(Us- U 1)

(U 2 - U 1)k k' = kU2+ k'(Us- U 1)

k(k'-1)U2 -k'(k-1)U1 = k' Us.

or U1 = Uc-½Ud et U2= Uc+½Ud .

k(k'-1)(Uc+½Ud )-k'(k-1)(Uc-½Ud)= k' Us.

(k'-k)Uc+½(2kk'-k-k')Ud = k' Us.

Us = (1-k/k')Uc+½(2k-1-k/k')Ud ; de la forme uS = Ad.ud + AC.uC

avec AC.= 1-k/k' = 1-(k1+1 )/(k2+1) et Ad. = ½[2k1+1- (k1+1 )/(k2+1)]

si k=k' alors Us = k1 Ud.





Mécanique

 

  1. Quelle est la valeur de la force FA à l’équilibre du bras de levier ci-dessous : FB= 10 N ; L= 2 m, l= 20 cm.
  2. Quelle masse M pourrait-on soulever en A ( g= 9,8N/kg)
  3. Un ressort à spires non jointives de longueur initiale L0 = 150 mm est chargé avec une force F = 1,2 daN. Sa longueur d’équilibre est alors L = 300 mm. Calculez la valeur de la raideur k du ressort.
  4. Cette valeur est deux fois trop faible pour l’application envisagée. Pour doubler la raideur de ce ressort, on pourrait : en associer deux en série ; en associer deux en parallèle ; le couper en deux et utiliser une moitié ; trouver un ressort identique au premier mais de F de spires deux fois plus grand ; trouver un ressort identique au premier mais de F de spires deux fois plus petit.
  5. Quelle est l’accélération g prise par un véhicule qui descend, en roue libre, une pente à 10 % (on négligera tout frottement et on prendra g = 9,8 ms-2).
  6. Quel est l’ordre de grandeur du module d’élasticité longitudinal (ou module d’Young) d’un acier ? E = 5 GPa ; E = 10 GPa ; E = 100 GPa ; E = 200 GPa.
  7. Un moteur d’une puissance P de 1000 W est envisagé pour soulever une charge M de une tonne. Quelle sera la vitesse maximale V de montée que pourra acquérir cette masse ?

corrigé
à l’équilibre du bras de levier : FAl = FB L

FA=FB L/l = 10*2/0,2 = 100 N.

masse M que l'on pourrait soulever en A : FA/ g = 100 /9,8 =10,2 kg.


raideur k du ressort : force (N) / déformation (m) du ressort

k =12/(0,3-0,15) = 12/0,15 =80 N /m .

Pour doubler la raideur de ce ressort, on pourrait en associer deux en parallèle ;

k= bGd4/(D3n)

G ; dépend du matériau , d : diamètre du fil ; D : diamètre d'une spire ; n : nombre de spires actives

On pourrait aussi augmenter le diamètre du fil, diminuer le diamètre de l'enroulement, diviser par deux le nombre de spires actives.


accélération g prise par un véhicule qui descend, en roue libre, une pente à 10 % :

Le véhicule est soumis à son poids, vertical , vers le bas, valeur Mg et à l'action du plan , perpendiculaire au plan.

Ecrire la seconde loi de Newton sur un axe parallèle au plan, orienté vers le bas : d'où Mg sin a = Mg

soit g= g sina avec sina voisin de 0,1 ;g = 0,98 m/s².


ordre de grandeur du module d’élasticité longitudinal (ou module d’Young) d’un acier : 200 GPa.
vitesse maximale V de montée :

puissance (W) = force (N) fois vitesse (m/s)

vitesse =P/ (Mg) = 1000 /(1000*9,8) = 1/9,8 = 0,10 m/s.



Thermique
  1. Quel est le refroidissement le plus efficace pour un même montage ? circulation d’air ; circulation d’eau
  2. Classez par ordre de conductivités thermiques croissantes les matériaux suivants : bois, acier, cuivre, laine de verre, aluminium.
  3. Un calorimètre contient une masse m1 = 270 g d’eau. La température initiale d’équilibre de l’ensemble est q1 = 19 °C. On met dans l’eau du calorimètre une masse m2 = 100 g d’aluminium à la température q2 = 100 °C. Déterminez la température d’équilibre q de l’ensemble si on suppose que la valeur en eau du calorimètre et de ses accessoires est nulle. On donne : chaleur massique de l’eau : c1 = 4 185 J.kg-1.K-1 ;
    chaleur massique de l’aluminium : c2 = 896 Jkg-1.K-1 .
  4. Déterminez la température réelle d’équilibre thermique q ’ de l’ensemble si la la valeur en eau du calorimètre et de ses accessoires est en réalité µ = 30 g.
  5. Expliquez le principe de la mesure d’une température utilisé dans une sonde de platine Pt100.
  6. Expliquez le principe de la mesure d’une température utilisé dans un couple thermoélectrique (appelé aussi thermocouple).

corrigé
refroidissement le plus efficace pour un même montage : circulation d’eau

par ordre de conductivités thermiques croissantes : cuivre, aluminium, acier, bois, laine de verre.


calorimètre :

énergie gagnée par le calorimètre et l'eau qu'il contient : (m1+m)c1(q -q1 )

énergie cédée par l'aluminium : m2c2(q -q2 )

système adiabatique : (m1+m)c1(q -q1 ) + m2c2(q -q2 ) = 0

(m1+m) c1q -(m1+m)c1q1 +m2c2q - m2c2q2 = 0 ; ((m1+m)c1 + m2c2)q = m2c2q2+(m1+m)c1q1 ;

q = [m2c2q2+(m1+m)c1q1 ] / [(m1+m)c1 + m2c2]

si m négligeable : q =[0,1*896*100+0,27*4185*19) / ( 0,27*4185+0,1*896) = 25°C.

si m non négligeable : q ' =[0,1*896*100+0,3*4185*19) / ( 0,3*4185+0,1*896) = 24,4°C.


sonde de platine Pt100 :

La grandeur électrique délivrée par le capteur est une résistance R. La caractéristique de transfert, donnée par le constructeur s'exprime par :

R= 100+0,385 q ( q en °C)

Les variations de la valeur de la résistance entraînent des modifications du courant ou de la tension dans un circuit extérieur alimenté par une source de tension. Il faut amplifier ces faibles modifications.


thermocouple :

les thermocouples mesurent une différence de température.

Deux métaux, de natures différentes, sont reliés par deux jonctions (ils constituent ainsi un thermocouple) placées aux températures T1 et T2. Par effet Seebeck, la différence de température entre les jonctions, entraîne une différence de potentiel

Il est donc nécessaire de connaître la relation entre la différence de potentiel et la différence de température



Optique
  1. Quel est l'ordre de grandeur de la vitesse (m/s) de la lumière dans le vide ? 3 107 ; 3 108 ; 2 108 ; 3 109 ;
  2. Qu’appelle-t-on lumière monochromatique ?
  3. Donnez un exemple de source monochromatique.
  4. On donne les schémas optiques suivants :

    Tracez le rayon lumineux sortant de chacune de ces lentilles
  5. Qu’est-ce qu’une lentille achromatique ?
  6. Un rayon lumineux bichromatique (rouge et bleu) tombe sur la face d’un prisme en verre conformément au dessin ci-après.

    Tracez approximativement la marche des rayons jusqu’au plan de projection P (Vous noterez R le rayon rouge et B le rayon bleu)
  7. Tracez précisément le rayon réfracté sur la figure ci-après en vous référant à la loi de Descartes. i = 49°43 et n = 1,33

corrigé
ordre de grandeur de la vitesse de la lumière dans le vide : 3 108 m/s

lumière monochromatique : une seule couleur, une seule fréquence.

un exemple de source monochromatique : laser

lentille achromatique :

Une lentille dévie de manière différentes les radiations lumineuses ayant des longueurs d'onde différentes ; les images obtenues en lumière blanche sont irrisées de bleu ou de rouge . On appelle cela" aberration chromatique ".

Une lentille achromatique est une combinaison judicieuse de lentilles conduisant à des aberrations chromatiques les plus faibles possibles.

loi de Descartes pour la réfration :

nair sin i = n sin i2 ; sin i2 = nair sin i / n = 1*sin49,43 / 1,33 =0,571 ; i2 = 34,8°.



Acoustique
  1. Expliquez brièvement ce qu’est une onde sonore, une onde ultrasonore.
  2. Donnez les deux fréquences, et leurs longueurs d’onde associées, limitant la plage des fréquences sonores audibles par une oreille humaine jeune.
  3. Une personne pousse un cri dont l’écho lui revient au bout d’un temps t = 2 s après s’être réfléchi sur un obstacle seul. Déterminez la distance L séparant la personne et l’obstacle, sachant que la vitesse du son dans l’air est v = 330 ms-1.
    Technique du vide :
  4. Donnez les unités de pression légales et usuelles.
  5. Une enceinte dispose d’une fenêtre d’observation de 200 mm de diamètre. Sachant qu’un vide de 1 hPa a été fait à l’intérieur de l’enceinte, calculez la résultante des forces de pression F s’exerçant sur la fenêtre. (pression atmosphérique pa = 1 000 hPa)
  6. Quel type de vide ( prrimaire, secondaire,aucun) peut-t-on obtenir avec les pompes à vides suivantes ? pompe à diffusion d’huile, pompe à palettes, pompe turbomoléculaire, pompe cryogénique.

corrigé
onde sonore, une onde ultrasonore :

onde mécanique longitudinale ; propagation d'une variation de pression à la célérité v, avec transport d'énergie, sans transport de matière.

Les fréquences associées à une onde sonore sont comprise entre 20 Hz et 20 000 Hz ; les fréquences des ultrasons sont supérieures à 20 000 Hz.

Dans l'air les longueurs d'onde correspondantes sont comprises entre : l=v/f

330/20 = 16,5 m et 330/20000 = 1,65 10-2 m.

distance L séparant la personne et l’obstacle :

d'une part distance (m) = vitesse (m/s) * temps (s) ; d'autre part durée de l'aller + retour = 2 s ;

d'où : L= 330*1 = 330 m.


La pression s'exprime en pascal ; dans le langage courant en bar ( 1 bar est voisin de 105 Pa)

résultante des forces de pression F : F (N) = S( m²) * p (pa)

d= 200 mm = 0,2 m ; r = ½d = 0,1 m ; surface S= p r² = 3,14*0,1² = 3,14 10-2

force due à l'air extérieur, dirigée vers l'intérieur de l'enceinte, perpendiculaire à la surface, valeur : 3,14 10-2 * 105 = 3,14 103 N

force due à l'air intérieur, dirigée vers l'extérieur de l'enceinte, perpendiculaire à la surface, valeur : 3,14 10-2 * 102 = 3,14 N

d'où F= 3,14 103 -3,14 voisin 3,136 103 N.


Le vide prrimaire ( 1000 à 1 hPa) est obtenu à l'aide de pompe à palettes

Le vide secondaire ( 1 à 10-7 hPa) est obtenu à l'aide de pompe turbomoléculaire, de pompe à diffusion d’huile.



Chimie
  1. Définissez ce qu’est un acide, une base.
  2. Ecrivez les noms des substances suivantes : NaCl, H2O, H2SO4, HCl, CO2, NaOH.
  3. Equilibrez la réaction chimique de combustion suivante : CH4 + …O2 => CO2 + ...H2O
  4. Donnez la masse molaire des molécules ci-dessous en vous référant aux masses molaires M des atomes concernés.( H : 1 ; C : 12 ; O : 16 ; Na : 23 ; S : 32 ; Cl : 35,5)
    H2O, H2SO4, HCl, CO2, NaOH.
  5. Mentionnez les deux dangers principaux de l’azote liquide. Indiquez comment se protéger de ces deux dangers.
  6. Mentionnez le principal danger d’un laser de faible puissance (quelques mW). Indiquez le type de protection adéquat.

corrigé
acide ( définition de Brönsted) : espèce, ion ou molécule susceptible de céder un proton H+.

base : espèce, ion ou molécule susceptible de gagner un proton H+.

NaCl : chlorure de sodium M= 58,5 g/mol ; H2O : eau M= 18 g/mol ; H2SO4 : acide sulfurique M= 98 g/mol;

HCl : chlorure d'hydrogène M = 36,5 g/mol ; CO2 :dioxyde de carbone M = 44 g/mol ; NaOH : hydroxyde de sodium ou soude M=40 g/mol.

dangers principaux de l’azote liquide :

gel des tissus humains (les yeux, la peau), la fragilisation des aciers et le durcissement des plastiques.

Port de gants de cuir, de lunettes et de chaussures de protection.

principal danger d’un laser de faible puissance :

l'oeil est l'organe le plus fragile : la rétine peut être endomagée même avec des lasers de faible puissance ( 1mW) : port de lunettes spéciales.



retour -menu