Aurélie 10/07/08
 

 

Mesure de la concentration d'ozone bac STI génie électronique 2008.

 Amplificateur opérationnel : mode linéaire et comparateur.


. .


Partie 1 : mesure de la concentration d'ozone.

l'indice ATMO est un indicateur de la qualité de l'air qui repose sur la concentration de 4 polluants ( dioxyde d'azote, particules de diamètre inférieur à 10 mm, ozone, dioxyde de soufre). cet indice permet de disposer d'une information synthétique sur la pollution atmosphérique urbaine. Il est calculer chaque jour dans les agglomérations de plus de 100 000 habitants.

Un bulletin quotidien rapporte l'ensemble des informations sur une carte de France. Les agglomérations sont repérées par une couleur en fonction de la qualité de l'air estimé :

- excellente à assez bonne : vert ; - moyenne à très médiocre : orange ; - mauvaise à exécrable : rouge.

L'étude porte sur un dispositif de mesure de la concentration du polluant ozone et de l'affichage du niveau de pollution basé sur trois couleurs.

le système se décompose de la manière suivante :

Dans cette partie tous les amplificateurs opérationnels sont parfaits et alimentés par des tensions considérées constantes +Vcc= 15 V et -Vcc=-15 V.

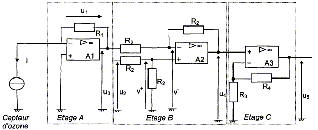
Capteur d'ozone.

le capteur d'ozone est formé d'une photodiode sensible aux rayonnements ultraviolets et polarisée en inverse. L'intensité du courant inverse I qui traverse la photodiode est une fonction affine de la concentration d'ozone c suivant la loi : I= I0(1-10-4c).

I0 = 100 mA : intensité du courant lorsque l'air ne contient aucune molécules d'ozone ; c : concentration d'ozone en mg m-3.


 

Déterminer les valeurs de l'intensité I pour les concentrations c= c0=0 et c= 360 mg m-3.

c0 (mg m-3)
I (mA)
0
I0=100
360
100(1-360 10-4) = 96,4


Donner le sens de variation de l'intensité du courant I en fonction de la concentration d'ozone c.

I= I0(1-10-4c).

dériver I par rapport à la concentration c : dI/dc = -0,01.

l'intensité diminue lorsque le concentration en ozone augmente.

Mise en forme :

Les amplificateure oprationnels A1, A2, A3 fonctionnent en régime linéaire. Le capteur est modélisé par un générateur de courant idéal d'intensité I.

L'information issue du capteur d'ozone est mis en forme de la manière suivante :

Montrer que la tension u1 peut s'écrire sous la forme u1 = -a c + u0.

u1 = R1 I avec I = I0(1-10-4c) ;

u1 = R1I0 - 10-4 R1I0 c ; on pose a= 10-4 R1I0 et u0=R1I0.

On donne R1 = 100 kW ; calculer les valeurs de a et u0 en précisant les unités.

a= 10-4 R1I0 = 10-4 105*10-4 = 10-3 V mg-1m3.

u0=R1I0 =105*10-4 =10 V.

Déterminer la relation entre la tension u3 et la tension u1.

L'entrée non inverseuse est reliée à la masse ; en régime linéaire les deux entrées sont au même potentiel, donc u3=u1.

L'étage A est équivalent à un "suiveur".





Etage B.

U2 est une tension de référence interne au montage.

Quel est le régime de fonctionnement de l'A.O A2 ? Justifier.

Du fait de la présence d'une boucle de contre réaction, l'A.O2 fonctionne en régime linéaire..

Exprimer le potentiel V+ en fonction de la tension u2.

Exprimer le potentiel V- en fonction des tensions u3 et u4.

 

En déduire l'expression de u4 en fonction de u2 et u1.

En régime linéaire, les deux entrées sont au même potentiel V-=V+ : U2 = U3+U4 ; U4 =U2 - U3.

or U1=U3 d'où : U4 =U2 - U1.

L'étage B effectue une soustraction.

On donne U2 = 10 V. Montrer que U4 peut se mettre sous la forme U4 = k c. Quelle est la valeur de k ; préciser son unité.

U4 =10 - U1 et U1 = 10-a c d'où : U4 =a c.

k = a = 10-3 V mg-1m3.

Etage C.

Exprimer la tension U5 en fonction des résistances R3 et R4 et de la tension U4.

On donne R3=4,7 kW. On souhaite obtenir une tension U5 = 1,8 V lorsque la concentration maximale en ozone est cmax =360 mg m-3.

Calculer la résistance R4.

U4 = 10-3 c = 10-3*360 = 0,36 V.

1,8 / 0,36 = R4/4,7 +1 ; 5 = R4/4,7 +1 ; 4 = R4/4,7 ; R4 = 4*4,7 = 18,8 kW.




Tracer l'allure de la tension U5 en fonction de la concentration d'ozone c. Faire apparaître les points correspondant à c= 90 mg m-3 et 180 m g m-3.

U5 = 5 U4 ; U4 = 10-3 c ; U5 = 5 10-3 c.

si c = 90 mg m-3 alors U5 =0,45 V ; si c = 180 mg m-3 alors U5 =0,90 V.

Dispositif de signalisation.

 Ce dispositif est destiné à visualiser les zones correspondant à trois niveaux de qualité de l'air : excellente, moyenne à très médiocre, mauvaise à excécrable. La signalisation est assurée par trois diodes électroluminescentes de couleur : verte, orange et rouge.
qualité de l'air
c ( mg m-3)
signalisation lumineuse
excellente à assez bonne
0 à 90
verte
moyenne à très médiocre
91 à 180
orange
mauvaise à excécrable
c>180
rouge
Le schéma structurel est le suivant :

La tension U5 de l'étage c précédent est comparée à deux tensions de seuil UD et UB. Les tensions de seuil sont élaborées par l'ensemble des résistances R5, R6 et R7.

R6 = R7 = 4,7 kW, R5 est à déterminer. On désire obtenir une tension UD =0,9 V.

Calculer la valeur de R5, en déduire la tension UB.

Les intensités des courants dans les entrées des A.O sont nuls : R5, R6 et R7 sont traversées par la même intensité i.

UD = (R6 + R7 ) i d'où i =0,9 / (4,7+4,7 )= 0,0957 mA

Additivité des tensions : UD + R5 i = 15 V ; R5 i = 15 -0,9 = 14,1 ; R5 =14,1 / 0,0957 ; R5 = 147 kW.

UB = R7 i = 4,7*0,0957 ; UB = 0,45 V.

 




Déterminer les valeurs des tensions de sorties UA4, UA5 et UA6 dans les différentes conditions du tableau ci-dessous.

Déterminer l'état des trois diodes électroluminescentes Del1, Del2 et Del3 en fonction des tensions de sorties UA4, UA5 et UA6.

En déduire la couleur à utiliser pour ces diodes.


état des diodes

UA4(V)
UA5(V)
UA6(V)
Del1
Del2
Del3
U5 <UB
-15
-15
+15
non passante
non passante
passante
UD >U5 >UB
-15
+15
-15
non passante
passante
non passante
U5 >UD
+15
+15
-15
passante
non passante
non passante
couleur des DEL
rouge
orange
verte



retour -menu