Aurélie 20/08/09
 

 

Capteur de température, ( bac Stl physique de laboratoire 2009)


. .


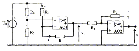
Conditionneur du capteur de température ( sonde Pt100).

Les amplificateurs opérationnels AO1 et AO2 sont parfaits et fonctionnent en régime linéaire. La résistance R est celle d'une sonde Pt100 ; elle varie en fonction de la température q. Le but de ce montage est d'obtenir un signal v image de la température q qui évolue selon le graphe :

Exprimer V' (potentiel de l'entrée no inverseuse de l'AO1 ) en fonction de U0.

Exprimer l'intensité i du courant traversant le capteur de température en fonction de V', V1 et R.

Exprimer cette même inensité en fonction de U0, V' et R0.


Montrer alors que V' = R /(R+R0) U0 + R0 /(R+R0) V1.

Egaler les deux expressions de l'intensité i : (U0-V') / R0 = (V'-V1) / R

(U0-V') R = (V'-V1) R0 ; U0 R -V'R = V'R0- V1R0 ; V' (R+R0) = U0 R+V1R0

Puis diviser par (R+R0)

Exprimer V1 en fonction de U0, R0 et R.

or V' = ½U0 ; repport dans l'expression précédente :

V' (R+R0) = U0 R+V1R0 s'écrit alors : ½U0(R+R0) = U0 R+V1R0

½RU0 +½R0U0- RU0 =V1R0 ; V1R0 = ½R0U0 -½RU0 ;

puis diviser par R0 : V1 =½U0 ( 1-R / R0 ).

La résistance R de la sonde Pt100 suit en première approximation la loi : R = R0(1+aq)

En déduire que V1 = a1q ; exprimer a1 en fonction de a et U0.

R / R0 = 1+aq ; 1-R / R0 = -aq

V1 =½(-aq )U0 ; a1 = -½aU0.

On donne U0 = 200 mV et a = 4 10-3 °C-1.

Calculer a1 en précisant son unité.

a1 =-0,5 * 4 10-3 *0,2 = -4 10-4 V °C-1 = -0,4 mV °C-1.

Tracer l'allure de la tension V1 en fonction de la température q.

V1 = -0,4 q avec V1 en mV.




Signal V de sortie du conditionneur.

Exprimer V en fonction de V1, R1 et R2.

En déduire que V = a q avec a = -R2/R1 a1.

V = -R2/R1 V1 et V1 = a1q ; par suite : V = -R2/R1 a1q = a q.

Calculer a et donner son unité.

Le coefficient directeur de la droite est : a = 10,0 / 100 =0,100 V °C-1.





Sachant que R2 = 100 kW, calculer R1.

a = 0,100 V °C-1 et a = -R2/R1 a1 avec a1 = -0,4 mV °C-1 = - 4 10-4 V °C-1.

D'où a = - 100 / R1 (- 4 10-4 ) = 0,04 / R1

0,1 = 0,04 / R1 ; R1 = 0,04 / 0,1 =0,4 kW.

Quel est la fonction de cet étage de sortie ?

Cet étage change le signe de la tension V1 ; cet étage amplifie la tension V1.





retour -menu