Aurélie 02/03
satellite - inductance - pendule

concours d'entrée : technicien supérieur météo 01


Google

La comète Shoemaker-Levy est passer en juillet 92 suffisamment près de Jupiter pour se fragmenter en morceaux. Le but est de comprendre l'origine de cette fragmentation et d'estimer l'ordre de grandeur de la taille des morceaux issus de cette fragmentation. Le référentiel choisi est Jupiterocentrique, supposé galiléen.

masse de Jupiter : MJ= 1,91 1027 kg ; rayon Jupiter : RJ= 71400 km ; masse volumique de Jupiter : mJ. G= 6,67 10-11 S.I.

volume d'une sphère : 4/3 pr3 ; si e est petit devant 1 1/(1+e)2 = 1-2e.

  1. On cherche d'abord à déterminer la distance en dessous de laquelle la comète, s'approchan de Jupiter se séparerait en plusieurs morceaux. On fait les hypothèses suivantes :
    - le centre d'inertie GC de la comçte de masse volumique mC a un mouvement circulaire uniforme autour de Jupiter de période T.
    _ La comète est constituée de deux sphères identiques de masse m et de rayon r; homogènes et disposées comme indiqué sur la figure. Ces sphères sont liées entre elles par leur attraction gravitationnelle mutuelle. Les centres des sphères sont toujours alignés avec le centre de Jupiter.

    * On considère dans un premier temps le système constitué par l'ensemble de la comète. On suppose que tout se passe comme si la masse de la comète était concentrée au point GC. Donner l'expression de la vitesse angulaire du point GC en fonction de G, MJ et d. On conservera cette expression dans la suite du problème. Cela signifie que le centre de chaque sphère constituant la comète a la même vitesse angulaire que le point GC.
    * On suppose que les sphères se touchant , elles exercent l'une sur l'autre une force de contact, perpendiculaire à la surface de contact. Chaque sphère est donc soumise à l'attraction de Jupiter, à l'attraction gravitationnelle de l'autre sphère et à cette force de contact de norme R. En appliquant la relation de la dynamique à l'une des sphères, écrire une équation où interviennet les frandeurs suivantes : F, m, r, d, MJ et R.
    * Lorsque le contact entre les sphères est rompu l'une des forces disparaît. Laquelle ? En utilisant l'approximation rappelée ci-dessus, montrer que ce contact est rompu si d devient inférieur à dlim appelé limite de Roche..
    * Exprimer dlim en fonction de MJ, m et r puis en fonction de mJ , mC , RJ. Calculer dlim si mC= 1000 kg m-3.
    * Monter que la force gravitationnelle entre les sphères vaut alors f = 3GmMjr/d3lim.

  2. Les observations ont montrer que la fragmentation de la comète s'était produite lorsque celle-ci était arrivée à une distance d0 = 1,5 RJ de Jupiter. On peut émettre l'hypothèse qu'en plus des forces citées plus haut les deux sphères sont liées par des forces de cohésion FC de courte portée.
    * Exprimer FC/f en fonction de dlim et d0. On pose FC/f= a. Calculer a.
    * Cette force de cohésion dépend de la surface des sphères et donc du carré de leur rayon. On admet que fC= kr² avec k = 104 S.I. Après avoir exprimé f en fonction de F, r, mC et en utilisant la relation précédente, calculer r.

 

corrigé
mouvement circulaire uniforme : la seule force qui agit sur GC et la gravitation exercée par Jupiter

accélération et force de gravitation sont centripètes

GMJMC/d² = MCw²d

w² = GMJ / d3.

F= GMJ m/(d-r)² gravitation exercée par Jupiter sur m

f= Gm² / r² gravitation entre les deux sphères de masse m

R action de contact entre les sphères

n vecteur unitaire dirigé vers Jupiter.

GMJ m/(d-r)² -Gm² / r² -R = mw²(d+r)

d'une part : 1/(d-r)² = 1/(d²(1-r/d)²) = (1+2r/d)/d²

d'autre part : mw²(d+r) = GMJ m(d+r) / d3.

GMJ m(1+2r/d)/d²- f -GMJ m(d+r) / d3 = R

GMJ m / d3 ( 3r) -f = R

si le contact est rompu alors R est nulle et flim = GMJ m / d3lim ( 3r).

flim = GMJ m / d3lim ( 3r)= Gm² / r²

d3lim =MJ/m 12r3= mJ/mC 12RJ3

masse volumique de Jupiter = masse volume =1,971027/(4*3,14/3*(7,14107)3)= 1290 kg/m3.

dlim = racine cubique(12*1,29)*RJ = 2,46RJ .


calcul identique en remplaçant R par R+FC.

F-f - R - FC = mw²(d+r)

R + FC = F- mw²(d+r) -f

rupture du contact : R=0 soit FC = F- mw²(d+r) -f = GMJ m / d30 ( 3r)-flim.

FC /flim=d3lim / d30 -1 = (2,46/1,5)3-1 = 3,41.


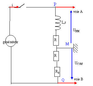
Inductance d'une bobine :

 

Le montage comporte monté en série : un générateur faisant circuler un courant variable i(t) ente P et Q, une bobine d'inductance L et de résistance r, deux conducteurs ohmiques de résistance R= 100 ohms et un rhéostat de résistance variable R0. L'oscilloscope utilisé comporte une touche ADD permettant, lorsqu'elle est actionnée, d'observer sur l'écran la tension notée UADD, somme des tensions reçues sur les voie A et B : UADD = UPM + UQM.

  1. Etablir les expressions de UPM et UQM en fonction de i et di/dt.
  2. En déduire l'expression de UADD en fonction de i et di/dt.
  3. La touche ADD étant actionnée, montrer qu'il existe une valeur de R0 pour laquelle la courbe observée sur l'écran est la représentation de la fonction Ldi/dt.
  4. La condition précédente étant réalisée, on mesure R0 = 9 ohms. Les figures ci-dessous représentent respectivement UQM(t) et UADD(t). sensibilité 1V/div et 0,2 ms/div. En l'absence de tensions sur les deux voies, les traces horizontales sont au centre de l'écran.

    - Justifier sans calul la forme de UADD(t) à partir de UQM(t).
    - Calculer la période et la fréquence du courant que fait circuler le générateur.
    - Déterminer, en justifiant les calculs, la valeur de L.

 

 

corrigé


UPM=(R+r)i + Ldi/dt

UMQ= (R+R0)i soit UQM= - (R+R0)i

UADD= (R+r)i + Ldi/dt -(R+R0)i = (r-R0) i + Ldi/dt

si r = R0 alors UADD= Ldi/dt.

UQMest une fonction affine par intervalle, sa dérivée est une fonction constante par intervalle.

dUQM/dt = -(R+R0) di/dt soit di/dt =-1/(R+R0) dUQM/dt = -1/109 dUQM/dt

UADD= Ldi/dt. est alors une fonction rectanglaire.

d'après le graphe :dUQM/dt = 8 volts / (3*0,2 10-3)seconde = 13 333 Vs-1.

soit di/dt = -13 333 /109 = -122,3As-1.

sur le même intervalle UADD= -2V

donc L= -2/ (-122,3) = 16,3 mH.


période : 6 divisions soit 6*0,2 10-3 = 1,2 10-3 s.

fréquence = 1/ 1,2 10-3 = 833,3 Hz.


pendule simple :

 On considère un pendule simple de longueur L= 1m et de masse m=100 g. Il est écarté de sa position d'équilibre d'un angle q=30°. g =9,81 m/s².

  1. Faire l'inventaire des force au point A. Les représenter.
  2. La masse m est lachée de la position A sans vitesse initiale. Au cours du mouvement elle subit une force de frottement, colinéaire à la vitesse mais de sens contraire et de norme constante. Le fil reste tendu. Exprimer la vitesse au point B, milieu de AO'.
  3. A quelle condition sur la force de frottement la vitesse en B est-elle nulle ?
    La force de frottement est en réalité très faible et peut être négligée devant les autres forces appliquées au pendule.
  4. Quelle est alors la vitesse au point B ? Donner son expression en fonction de g, L et q puis sa valeur numérique.
  5. Donner l'expression de la tension exercée par le fil au point B. Faire l'application numérique.
  6. L'expérience est reconduite mais en passant au point B, la corde casse. Les forces de frottements sont négligeables..
    - Donner les équations horaires du mouvement ultérieur de la masse m, en utilisant le repère (O', x, y)
    - déterminer l'équation cartésienne du mouvement de la masse m
    - Le sol est situé à d ) 1 m au dessous de O'. Donner les coordonées du point d'impact I de la masse sur le sol.
    - Déterminer la valeur de la vitesse au point I et les composantes de cette vitesse dans le repère (O', x, y)
    - Quel angle a fait le vecteur vitesse avec l'horizontale.
corrigé

altitude de B : O'K= L(1-cos(½q))

altitude de A : O'H= L(1-cosq)

travail du poids de A en B : mg(O'H-O'K) = mgL(cos(½q) - cosq)

La tension du fil perpendiculaire à la vitesse ne travaille pas.

en assimillant l'arc de cercle AB au segment AB de longueur L½q ( angle en radian)

le travail des frottements f est : - f L½q

écrire le théorème de l'énergie cinétique entre A et B, sachant que la vitesse en A est nulle :

½ mv²B = mgL(cos(½q) - cosq) -f L½q.

en absence de frottement :B = 2gL((cos(½q) - cosq))

vB= 1,4 m/s.


tension du fil en B :

remplacer par v² par : 2gL((cos(½q) - cosq)) et développer:

T= mg(3cos(½q)-2cosq) = 1,14 N.


impact au sol :

ce qui est écrit en gras et en bleu est un vecteur.

(voir schéma ci-dessus)

vitesse initiale vB(1,35 ; -0,362)

accélération a(0,-g)

position initiale O'B(-0,256 ; 0,034)

la vitesse à la date t est une primitive de l'accélération : v(1,35 ; -9,8t -0,362)

le vecteur position à la date t est une primitive de la vitesse : OM(x= 1,35t-0,256 ; y = -4,9t²-0,362t+0,034)

éliminer le temps pour trouver l'équation de la trajectoire :

t = (x+0,256) / 1,35 = 0,74 x +0,19

repport dans y : y = -2,68 x²-1,646x-0,212


au point d'impact I, yI= -1

résoudre l'équation : -1 = -2,68 xI²-1,646xI-0,212

xI = 0,315 m.

vitesse au sol vI :

tI = 0,74 xI+0,19 = 0,423 s.

repport dans l'expression du vecteur vitesse :

vI ( 1,35 ; -9,8*0,423-0,362 = -4,51 )

vI² = 1,35² + 4,51² soit vI = 4,71 m/s.

inclinaison de la vitesse par rapport à l'horizontale : tan a = 4,51 /1,35 = 3,34

a = 73°.


retour - menu