Aurélie 25/11/06

Satellites ; circuit RLC : résonance d'intensité ; concours EMIA 2003 ( école militaire interarmes)

En poursuivant votre navigation sur ce site, vous acceptez l’utilisation de Cookies vous proposant des publicités adaptées à vos centres d’intérêts.


. .

.
.


Satellites : (5 points)

On étudie le mouvement d'un satellite de masse m d'une planète de masse M dans le référentiel géocentrique de celle-ci ( M est très grand devant m). Les deux objets présentent des répartition de masses à symétrie sphérique, autour d'un point G pour le satellite et du point O pour la planète.

Les vecteurs sont écrits en bleu et en gras.

  1. Donner l'expression de la force de gravitation exercée par la planète sur le satellite. On utilisera les notations suivantes : u=OG/OG et r=OG. Constante de gravitation G = 6,67 10-11 N m2 kg-2.
    - Ecrire la seconde loi de Newton pour le satellite.
    On suppose dans la suite que le mouvement de G est circulaire uniforme de centre O.
  2. Etablir la relation qui lie la vitesse v de G, la masse M de la planète, le rayon r de l'orbite et G.
    - Exprimer v en fonction de la période T du mouvement et du rayon r.
    - En déduire la 3ème loi de Kepler r3/T2 = constante. Exprimer la constante en fonction des paramètres du système.
  3. Les valeurs de T et r pour 5 satellites d'Uranus sont données :


    T en jours ( 86400 s)
    r (milliers de km)
    Miranda
    1,413
    130
    Ariel
    2,520
    192
    Umbiel
    4,144
    267
    Titania
    8,706
    438
    Obéron
    13,46
    586
    Utiliser les données pour proposer une estimation de la masse d'Uranus.

corrigé
Expression de la force de gravitation exercée par la planète sur le satellite :

Relation qui lie la vitesse v de G, la masse M de la planète, le rayon r de l'orbite et G :

On utilisera les notations suivantes : u=OG/OG et r=OG.

On suppose dans la suite que le mouvement de G est circulaire uniforme de centre O.

Expression de v en fonction de la période T du mouvement et du rayon r : 3ème loi de Kepler r3/T2 = constante

La période de révolution T du satellite (seconde) est le temps mis par le satellite pour faire un tour et ce d'un mouvement uniforme.

2 p r =vT

élever au carré, puis remplacer v² par l'expression ci dessus.

4p² r ² = v² T² = GM/ r T²

ou T² =4p² /(GM)r3.

soit T² /r3 = 4p² / (GM) rapport constant pour une planète donnée.(3ème loi de Kepler)

distance en mètre, période en seconde, masse en kg.


Estimation de la masse d'Uranus :

Les valeurs de T et r pour 5 satellites d'Uranus sont données :


T en ( s)
T² ( s²)
r (m)
r3 (m3)
T² /r3
Miranda
1,413*86400 =1,221 105
1,49 1010
1,30 108
2,20 1024
6,78 10-15
Ariel
2,520= 2,18 105
4,74 1010
1,92 108
7,08 1024
6,70 10-15
Umbiel
4,144= 3,58 105
1,28 1011
2,67 108
1,90 1025
6,72 10-15
Titania
8,706= 7,52 105
5 66 1011
4,38 108
8,40 1025
6,74 10-15
Obéron
13,46= 1,16 106
1,35 1012
5,86 108
2,01 1026
6,71 10-15
6,74 10-15 = 4p²/(GM) d'où M = 4p²/(G*6,74 10-15 )

M= 4*3,14²/(6,67 10-11 *6,74 10-15 ) = 8,77 1025 kg.





RLC : (5 points)

 

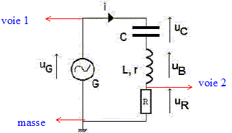
G : générateur basse fréquence délivrant une tension sinusoïdale de valeur efficace U= 60 V fixe et de fréquence f réglable. C ; condensateur de capacité C inconnue. Bobine d'inductance L= 60 mH et de résisatnce r = 4 W. Conducteur ohmique de résistance R= 1,5 kW.

  1. Quelle est la relation entre uG, uB, uR et uC ?
    - Exprimer duC/dt en fonction de C et i.
    - Exprimer uR et uB en fonction de L, R, r, C et des dérivées de uC.
    - En déduire l'équation différentielle vérifiée par uC.
    On mesure la valeur efficace I(f) de l'intensité i pour différentes valeurs de la fréquence f.
  2. Quel est le phénomène qui est mis en évidence ? Quel est son nom ? Ce type de phénomène peut-il se produire dans certains systèmes mécaniques ? Si oui faire une description succinte d'un tel système.
    - Mesurer sur le graphe la valeur Iexp max de I. Rappeler l'expression théorique de cette valeur notée Ithmax en fonction de U, R et r. Comparer Iexp max et Ithmax et conclure.
    - Mesurer la fréquence fmax correspondant au maximum d'intensité. En déduire une valeur de la capacité C du condensateur.
  3. On rappelle que la bande passante du circuit est l'intervalle de fréquence [f1 ; f2] tel que : f1 <f2 et I(f1) = I(f2)=Imax / 2½. Mesurer sur la courbe f1 et f2.
    - En déduire le facteur de qualité Q= fmax / (f2-f1).
  4. Reproduire le schéma du montage en précisant les branchements à effectuer pour visualiser uG sur la voie 1 et uR sur la voie 2 d'un oscilloscope.
    - On règle la fréquence f à la valeur f1. Déterminer la puissance dissipée par effet joule dans le circuit.
    - Même question pour f = 1,5 f2.

corrigé
Relation entre uG, uB, uR et uC :

additivité des tensions uG = uB + uR + uC

Expression de duC/dt en fonction de C et i :

q= CuC ; i = dq/dt = CduC/dt
Expressions de uR et uB en fonction de L, R, r, C et des dérivées de uC :

uR= Ri = RC duC/dt ; uB = Ldi/dt + r i = LCd²uC/dt² + r CduC/dt
Equation différentielle vérifiée par uC :

uG = uC + (R+r)CduC/dt + LCd²uC/dt²


Le phénomène qui est mis en évidence : résonance d'intensité.

Ce type de phénomène peut se produire dans certains systèmes mécaniques :

amortisseur d'une voiture ( résonateur ) ; une route pleine de trous joue le rôle d'excitateur.
D'après le graphe la valeur Iexp max vaut 40 mA = 0,04 A.

Expression théorique de cette valeur notée Ithmax en fonction de U, R et r :

Ithmax = U/(R+r) = 60 / 1504 = 3,99 10-2 A, en accord avec la valeur lue sur le graphe.

Fréquence fmax correspondant au maximum d'intensité : 2000 Hz

Valeur de la capacité C du condensateur :

à la résonance LCw0²=1 avec w0 = 2pfmax =1,256 104 rad/s.

C= 1/(Lw0²) = 1/(0,06*(1,256 104)2) = 1,1 10-7 F.


On rappelle que la bande passante du circuit est l'intervalle de fréquence [f1 ; f2] tel que : f1 <f2 et I(f1) = I(f2)=Imax / 2½.


Facteur de qualité Q= fmax / (f2-f1) = 2000 /(4600-900) = 0,54.

Branchements à effectuer pour visualiser uG sur la voie 1 et uR sur la voie 2 d'un oscilloscope :


On règle la fréquence f à la valeur f1. La puissance dissipée par effet joule dans le circuit est (R+r) I²

P= 1504*(28,2 10-3)2 = 1,2 W.
Pour f = 1,5 f2 =9,2 kHz, I voisin de 17 mA = 1,7 10-2 A

P= 1504*(17 10-3)2 = 0,44 W.



retour -menu